Used ICC NW 100 bbl / 3600Gross Gal jacketed brite tank / storage vessel

Sold
Used ICC NW 100 bbl / 3600Gross Gal jacketed brite tank / storage vessel
Location:Portland, OR
Available quantity:1
Description
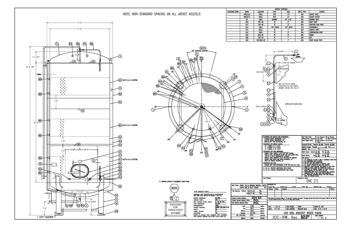
(1) Available - ICC-JV Northwest 100 bbl / 3600Gal Gross, jacketed and insulated stainless brite tank. This vessel was built in 2019 and sold to a client who did not install or use the tank. It is designed with a 15 psi operating shell pressure and a jacket pressure rating of 69 psi. It is equipped with three cooling zones on the sidewall along with a bottom cooling zone. It has a side manway door, cip, prv, carbstone, and sample valve. The tank measures 7'2" diameter x 18'6" tall. It is available to ship in early September from our facility in Portland Oregon.
Specifications
| Manufacturer | ICC - JV Northwest |
| Model | 100 bbt |
| Year | 2019 |
| Condition | Used |
| Stock Number | 8611 |


